ST型・STC型 ガイドローラー
| ST型ガイドローラー |
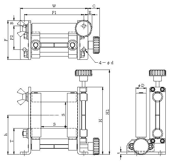
STC型ガイドローラー |
 |
 |
|
特徴
縦ローラー(ST型・STC型)共に下部ハンドルを回すことにより 開閉動作します。
ST型=横ローラーは上下共に任意の位置で調整できます。 横ローラー上部は蝶ナットを使用しています。
STC型=横ローラーはセンターを中心に振り分けで開閉します。 調整はハンドルと反対側のナットを緩め 調整後締め込みます。
※ローラー材質:SUJ2
硬度:高周波焼入れ (HRC58°以上 / 有効硬化深さ0.7o以上)
表面処理:硬質クロムメッキ (硬度HV750〜 / 厚み5μ以上)
|
ST型 ガイドローラー 寸法表

| 型 式 |
S |
W |
F |
H |
D |
T |
B |
P1 |
P2 |
d |
t |
C |
Rローラー |
定 価(円) |
| ST-50 |
0〜50 |
129 |
74 |
128 |
20 |
49.5 |
10 |
113 |
45 |
6.5 |
4.5 |
16.5 |
R20-84 |
82,915 |
| ST-90 |
0〜90 |
211 |
105 |
210 |
30 |
77.5 |
10 |
190 |
85 |
8.5 |
6 |
18 |
R30-145 |
114,770 |
| ST-125 |
0〜125 |
285 |
120 |
269 |
35 |
97 |
12.5 |
260 |
95 |
11 |
9 |
23 |
R35-185 |
165,140 |
※型式をクリックすると外観図面が閲覧出来ます。
|
STC型 ガイドローラー 寸法表

| 型 式 |
S |
W |
F |
H |
h |
D |
T |
B |
P1 |
P2 |
d |
t |
C |
H1 |
Rローラー |
定 価(円) |
| STC-50 |
0〜50 |
129 |
74 |
128 |
74.5 |
20 |
49.5 |
10 |
113 |
45 |
6.5 |
4.5 |
16.5 |
153 |
R20-84 |
101,660 |
| STC-90 |
0〜90 |
211 |
105 |
210 |
122.5 |
30 |
77.5 |
10 |
190 |
85 |
8.5 |
6 |
18 |
246 |
R30-145 |
140,875 |
| STC-125 |
0〜125 |
285 |
120 |
269 |
159.5 |
35 |
97 |
12.5 |
260 |
95 |
11 |
9 |
23 |
325 |
R35-185 |
195,500 |
※型式をクリックすると外観図面が閲覧出来ます。
|